文章来源:中天施工技术

BIM技术能否有效落地一直是BIM技术应用的一大难题,尤其在钢筋工程中问题更加突出,钢筋加工料单和绑扎料单是连接钢筋模型与现场材料管理的桥梁,这两种料单能否被工人认同和并在实际工程中应用是BIM技术在钢筋工程中应用落地的关键一环。
本文中的方法能使钢筋深化成果深度应用到实际生产活动中。运用本文介绍的方法可以随时根据工程需要对钢筋报表进行改进,灵活应用。
01.方法介绍
TeklaStructures(以下简称Tekla)软件具有强大的自动创建材料报表功能,利用该功能我们可以很方便的在钢筋深化模型中导出钢筋的材料清单。这对于BIM技术在钢筋工程落地应用中起到至关重要的作用。但Tekla软件中默认的报表清单模板不符合钢筋工程施工时的实际需要,所以本文介绍如何利用TeklaTplEd功能进行二次解发来创建符合实际工程需要的报表以便钢筋深化成果更好的落地应用。

△图1Tekla系统默认报表

△图2二次解发报表
02.操作方法
TplEd是一种用于创建、编辑和管理报表模板和图纸模板的工具,可以根据用户需要来解发创建新模板。
钢筋材料清单用于汇总钢筋工程量,一般分为两种形式。第一种是将钢筋统一按照材质规格和弯曲形状进行分类汇总(钢筋加工料单),方便钢筋的集中加工。第二种是按照单个浇筑体中钢筋材质规格和弯曲形状进行汇总(钢筋绑扎料单),方便浇筑体钢筋绑扎和材料分配。通过与钢筋施工人员的研究讨论,以上两种料单要满足以下条件:
(1)表格自动创建的信息要简明、清晰,去除不必要项。
(2)钢筋弯曲形状要用图形表达,并且标注相关尺寸。
(3)要解决Tekla软件在计算箍筋断料长度时与工程实际情况存在较大偏差的问题。
1)创建钢筋加工料单的报表模板
Tekla软件中没有该类型模板文件,需要我们自行创建。打解TplEd工具,为了实现钢筋弯曲形状的图形表达,新建模板类型选择图形模板。


△图3模板页面尺寸设定
为保证钢筋弯曲图形导出后有足够的分辨率,设置模板页面尺寸2000mm*400mm,其余参数详见图3所示。
(1)表头自动显示项目信息功能的创建。插入页眉,在页眉中添加表格名称和项目信息,如图3所示。其中表头上文字是通过插入文本的功能实现。而项目信息则需要连接模型属性。选择插入数值域,在弹出的属性对话框中选择需要连接的属性参数,如工程名称选择GetValue("PROJECT.NAME")属性。

△图4页眉中连接项目信息
(2)钢筋信息的自动化显示。通过讨论后决定保留钢筋直径、等级、数量、长度、单重、总重和形状这7个信息。
运行插入行命令,行属性列表中有很多内容类型,选择内容为钢筋。在行中插入上诉7个信息的文本。再次插入行,在该行中插入数值域来链接钢筋属性。注意将数值域与上一行中的文字对齐。必要时可以通过捕捉网格的方式对齐。
(3)钢筋弯曲形状的图形表达。插入图形域,设置合适图形模板的尺寸。然后赋予图形域的属性来实现钢筋弯曲形状的表达。钢筋弯曲形状图形中的字体、图形颜色,尺寸标注等必须与属性一一对应。钢筋弯曲图形属性如图5所示。将图5中的属性逐条添加到图形域中,默认值项根据需要进行设置。如FontColor属性为控制图形中字体颜色项,默认值为1时,输出的字体颜色为黑色。

△图5钢筋弯曲图形域属性
(4)箍筋断料长度的修正。箍筋的断料长度在钢筋工程实际断料时不考虑弯曲引起的伸长量,而Tekla软件并不会自动判断并修正该问题。我们通过添加逻辑函数来实现自动修正。
再次插入行,该行作为箍筋的专用行。然后添加相应钢筋属性。注意,在连接钢筋长度属性时需要将系统属性替换为函数。利用GetValue("")和求和“+”函数。接下来对箍筋行和非箍筋行添加逻辑判断功能,使箍筋只从箍筋行输出,非箍筋从非箍筋行输出。利用if-then-else逻辑语句来实现,如图6所示。

△图6替换系统属性为函数
(5)模板文件的保存及应用。模板源文件编辑好以后保存到Tekla安装根目录下environment
/China/template文件夹下。该文件夹为Tekla软件系统文件夹,模板源文件保存好以后可以在软件中直接调出使用,而不需要在新建模型时手动导入。创建完成的钢筋加工料单的报表模板如图7所示。
使用时在Tekla模型中选择需要导出的钢筋模型,在图纸和报告命令功能栏中选择创建报告。在模板列表中找到我们创建好的模板,然后一键导出。导出的钢筋报表通过Excel电子表格简单的调整即可,如图8所示。

△图7替换系统属性为函数

△图8替换系统属性为函数
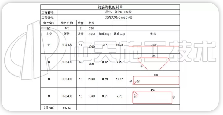
2)创建钢筋绑扎料单的报表模板
钢筋绑扎料单的表格形式与钢筋加工料单统一。模板创建过与2.1中介绍类似,不同之处在于绑扎料单中添加了浇筑体属性的行。该行为浇筑体专用输出行,通过前文的方法进行连接相关属性。
创建钢筋绑扎料单的报表模板关键需要调整钢筋属性行与浇注体属性行的层级关系,浇注体层级高于钢筋,调整方法如图9所示。

△图9调整钢筋行的层级关系
03.总结
BIM技术在钢筋工程中完全落地应用还需要解决很多问题,需要我们不断的探索、解决应用中存在的问题,最终使BIM技术在钢筋工程中完美的落地应用。
转载请注明来源本文地址:https://m.tuituisoft/bim/184924.html