
风管系统是便于对管网的流量和大小进行计算的逻辑实体。
默认情况下,风管有3种系统类型:送风、回风和排风。我们可以创建自定义的系统类型,以处理其他类型的构件和系统。例如,可以创建高压送风系统;也可以修改系统类型的类型参数,包括图形替换、材质、计算、缩写和升/降符号。
Revit中,我们可以使用“调整风管大小”为项目中风管系统的管网选择动态的大小调整方法。
可以使用摩擦和/或速度、相等摩擦或静态恢复调整大小方法为风管段指定调整大小,调整后可以应用到管网的管段,也可以应用到整个系统。
注:要使用“调整风管大小”指定风管尺寸,管网必须连接到具有有效风量的风管系统。
选择调整大小的方法
1.在视图中选择一段管网,然后单击“修改|风管”选项卡“分析”面板(调整风管/管道大小)。
2.在“调整风管大小”对话框中,从下拉列表选择一种大小调整方法:“速度”、“摩擦”、“相等摩擦”或“静态恢复”。如果选择“摩擦”或“速度”,将激活下列选项:
仅,根据专用于选定方法(“速度”或“摩擦”)的参数调整风管大小。
和,强制调整风管的大小,以满足您为“速度”和“摩擦”指定的参数。
或,允许根据“摩擦”或“速度”参数的最低限制调整风管的大小。
3.选择一种大小调整方法,并为所选大小调整方法指定参数。
指定支管调整大小限制
1.如果要限制风管管段的尺寸,可以从“限制条件”下拉列表中选择一个选项,然后使用“限制大小”选项指定风管尺寸的绝对限制。从下拉列表中选择下列“限制条件”之一:
仅计算大小-选定风管管段的大小由选定的调整大小的方法决定,而且不受其他条件的约束。
匹配连接件大小-支管中选定风管管段的大小由支管和干管之间的连接件的大小决定,上限是管网中的第一个连接。
连接件和计算值中的较大者-选定风管管段的大小由两个决定因素中的较大者决定。如果连接件的大小小于按照调整大小和调整大小方法计算的大小,将使用计算大小。如果连接件的大小大于按照调整大小和调整大小方法计算的大小,将使用连接件的大小。
2.如有必要,可以单击“限制高度”/“限制宽度”,然后输入一个值,以对选定风管管段的大小指定绝对限制。
风管大小调整方法
“摩擦”和“速度”方法
如果只是选择了“摩擦”和“速度”大小调整方法中的一种,则只能基于其中的一种方法或者基于摩擦和/或速度方法的逻辑组合来调整大小。如果同时选择了这两种方法,则风管尺寸必须同时满足摩擦和速度值。如果选择了其中的一种方法,则风管尺寸可以违反摩擦或速度规则,但必须满足其中一个规则。
下面的曲线(基于1000fpm和0.08")显示了“或”大小调整方法和“与”大小调整方法之间的区别:

“相等摩擦”和“静态恢复”方法
“相等摩擦”方法根据指定的每单位风管长度的压力损失常量(默认值为0.10in-wg/100ft或25Pa/30m)来估计风管的初始尺寸。Revit中使用的“相等摩擦”和“静态恢复”方法使用ASHRAE风管管件数据库5.00.00版,这个数据库中包含有关各种风管管件的损失的信息。下面表格将管件和附件类型映射到用来确定损失计算的ASHRAE类别。

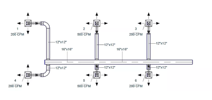
风管大小调整示例
下面,我们列出了各种用来调整风管大小的6种方法示意。
仅限摩擦

▲调整大小之前

▲调整大小之后
仅限速度

▲调整大小之前

▲调整大小之后
相等摩擦

▲调整大小之前

▲调整大小之后
静态恢复

▲调整大小之前

▲调整大小之后
摩擦和速度

▲调整大小之前

▲调整大小之后
受限制的高度

▲调整大小之前

▲调整大小之后
?END?
Revit中文网作为国内知名BIM软件培训交流平台,几十万Revit软件爱好者和你一起学习Revit,不仅仅为广大用户提供相关BIM软件下载与相关行业资讯,同时也有部分网络培训与在线培训,欢迎广大用户咨询。
网校包含各类BIM课程320余套,各类学习资源270余种,是目前国内BIM类网校中课程最有深度、涵盖性最广、资源最为齐全的网校。网校课程包含Revit、Dynamo、Lumion、Navisworks、Civil 3D等几十种BIM相关软件的教学课程,专业涵盖土建、机电、装饰、市政、后期、开发等多个领域。
需要更多BIM考试教程或BIM视频教程,可以咨询客服获得更多免费Revit教学视频。
转载请注明来源本文地址:https://www.tuituisoft/blog/13038.html