Revit内线条成型有很多种可操作方法,譬如墙饰条、楼板边、屋顶檐槽,或者内建放样等等。但是要统计出来线条规格信息、品牌价格,还要能够区分房间信息,安装阶段等多方面考虑,上述方法各有所长各有不足。如墙饰条、楼板边、檐槽必须依附于墙体楼板屋顶等实体模型,内建轮廓放样造型易操作,但是很难做到明细表的相关精准统计。
利用系统基于线性的族样板制作一个线条模型的样板,应该是个不错的解决方法。

解决思路:
一、基于线性的族,在项目中相交打断等操作非常方便,易上手。
二、利用嵌入轮廓族形成不同族类型,可以实现不同线条造型的迅速调整变换。
三、交角问题,可以通过端点部位的延伸或者剪切解决,需要注意的是参数设置不当可能会出现下面这种交角不严谨的情况。

还需要注意的是阴角和阳角相交时线条造型轮廓和路径之间的内外关系。
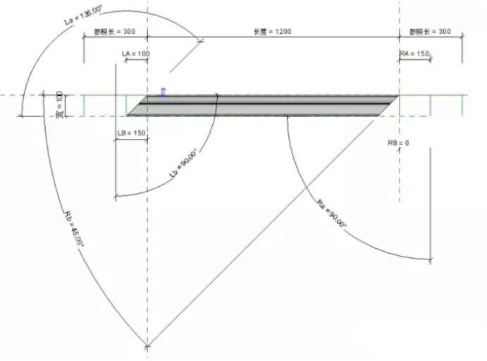
四、交角角度设置。在16版本及以前版本中如果不借助于插件之类的,无法实现路径角度于线条切角角度的关联计算(17版本或许有突破,说明可参见上期微文说明)。所以目前纯revit需要手动设置一下交角处的线条端点角度即可,如图:

总结:该方法能将每一段线条的准确使用量0误差统计,(施工现场线条切角加工计长不计短)。如墙体一样,绘制时依照顺时针方向(revit线性模型放置方向潜规则,否则会使得线条朝内。)
转载请注明来源本文地址:https://www.tuituisoft/blog/10991.html