在Revit中,如何去统计房间的面积对于初学Revit软件的人们来说是很难的,那么要想如果要去统计房间的面积该如何去做呢?现在就来讲解下如何去统计房间的面积。
一、首先,使用墙体命令在平面上绘制一个房间,大小随意。如图所示:

二、单击建筑选项卡中的“房间和面积”下拉键,然后选择“面积和体积计算”,如图所示:

在弹出的“面积和体积计算”对话框中,选择单击体积计算栏中的“面积和体积”,在房间面积计算栏中选择“在墙面面层”,单击“确定”如图所示:

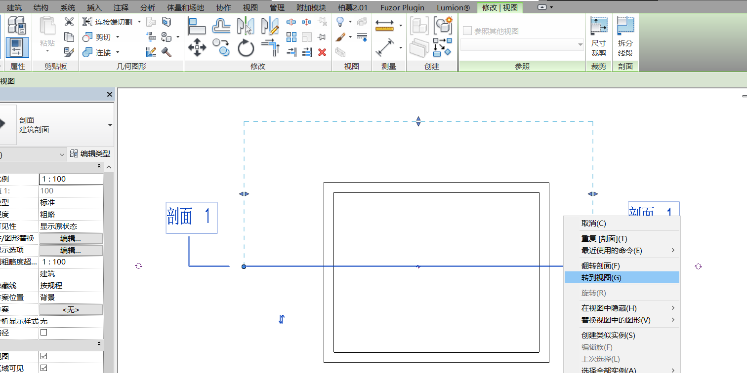
三、在视图选项卡中选择“剖面”,在平面上绘制剖1,然后右键转换到剖面图。如图所示:

四、在单击视图选项卡中的“明细表”下拉键,选择“明细表/数量”,如图所示:

在弹出的“新建明细表”中选择“房间”,单击确定。如图所示:

在“明细表属性”当中选择添加“周长、面积、体积、房间标示高度”,然后单击确定。如图所示:

最终结果。如图所示:

转载请注明来源本文地址:https://www.tuituisoft/blog/12280.html